Power Steering Box Group
|
Illustration
|
Ref
|
Part Number
|
Description
|
# per Chassis
|
Buy
|

|
1
|
114VRG/2
|
Complete steering box
|
1
|
|
Steering Box Assembly
|

|
2
|
Burman
81-162
|
Box Assembly
|
1
|
|
3
|
Burman
02-13-05-011
|
Box tube housing end studs
|
4
|
|
4
|
Burman
02-13-04-021
|
Box cover plate studs
|
6
|
|
5
|
Burman
02-13-03-028
|
Box cover plate studs
|
2
|
|
31
|
Burman
02-11-05-008
|
Box tube housing nuts
|
4
|
|
32
|
Burman
02-11-12-002
|
Rocker shaft nut
|
1
|
|
34
|
Burman
02-12-05-001
|
Spring box tube housing washer
|
4
|
|
37
|
Burman
02-12-12-033
|
Tab rocker shaft washer
|
1
|
|
55
|
Burman
02-27-05-003
|
Oil seal, O ring end plate studs
|
4
|
|
Nut Assembly
|

|
6
|
Burman
81-543
|
Nut Main Assembly
|
1
|
|
7
|
Burman
02-17-03-005
|
Steel balls 5/16'' diameter
|
28
|
CF
|
8
|
Burman
02-27-12-031
|
Oil seal main nut
|
1
|
|
9
|
Burman
02-27-12-36
|
Oil seal grooved washer
|
1
|
|
10
|
Burman
02-31-12-009
|
Main nut circlup
|
1
|
|
11
|
Burman
02-31-12-014
|
Main nut circlip
|
1
|
|
Column Assembly
|


|
12
|
Burman
38-00-04-189
|
Inner upper column assembly
|
1
|
|
13
|
Burman
28-00-04-190
|
Housing tube assembly
|
1
|
|
14
|
Burman
02-19-09-031
|
Bush
|
1
|
|
Rocker Shaft
|

|
15
|
Burman
32-00-07-119
|
Rocker shaft
|
1
|
|
16
|
Burman
32-00-33-001
|
Sector
|
1
|
|
17
|
Burman
02-12-12-074
02-12-12-075
02-12-12-076
02-12-12-077
02-12-12-078
02-12-12-079
|
Washer (circlip end)
2.29 - 2.34
2.41 - 2.46
2.53 - 2.58
2.65 - 2.70
2.77 - 2.82
2.89 - 2.94
|
Use 1 as reqd
|
|
18
|
Burman
02-12-12-068
02-12-12-069
02-12-12-070
02-12-12-071
02-12-12-072
02-12-12-073
|
Washer (main nut end)
2.39 - 2.42
2.47 - 2.50
2.55 - 2.58
2.63 - 2.66
2.71 - 2.74
2.79 - 2.82
|
Use 1 as reqd
|
|
19
|
02-12-12-066
|
Washer 0.48 - 0.53
|
2
|
|
20
|
02-31-12-015
|
Circlip
|
1
|
|
27
|
32-00-12-173
|
Cover plate
|
1
|
|
30
|
02-11-03-005
|
Box cover plate nuts
|
8
|
|
36
|
02-12-12-32
|
Rocker shaft roller race washer
|
1
|
|
38
|
02-12-12-53
|
Top ball race rocker shaft washer
|
1
|
|
41
|
02-18-04-001
|
Steel roller race housing rollers
|
38
|
|
42
|
02-27-03-001
|
O ring cover plate studs oil seal
|
1
|
CF
|
46
|
02-27-12-027
|
O ring rocker shaft oil seal
|
3
|
|
47
|
02-27-12-028
|
O ring cover plate oil seal
|
1
|
|
50
|
02-27-12-037
|
Top ball race rocker shaft oil seal
|
1
|
|
51
|
02-35-04-005
|
Cover plate dowel
|
1
|
|
53
|
32-38-12-013
|
Roller race housing
|
2
|
|
54
|
02-21-05-007
|
Relief valve oil plug
|
1
|
|
Box Assembly Top Cover
|

|
21
|
32-00-10-268
|
End plate return shim - .0025''
|
2
|
|
22
|
32-00-10-269
|
End plate return shim - .0005''
|
2
|
CF
|
23
|
32-00-10-270
|
End plate return shim - .010''
|
2
|
|
24
|
32-00-10-271
|
End plate return shim - .004''
|
2
|
CF
|
26
|
32-00-11-094
|
End plate return
|
1
|
|
28
|
32-00-23-043
|
Adjustable inner column ball race
|
2
|
|
35
|
02-12-09-054
|
Upper column washer
|
1
|
|
39
|
02-14-03-002
|
End plate setscrew
|
1
|
|
40
|
02-17-03-005
|
Main nut and adjustable ball races steel balls
|
15
|
|
45
|
02-27-08-070
|
Lipped end plate return oil seal
|
1
|
|
Box Assembly End Cover
|

|
25
|
32-00-11-087
|
End feed plate
|
1
|
|
29
|
02-10-03-027
|
End plate feed bolts
|
6
|
|
33
|
02-12-03-002
|
Spring end plate feed washer
|
6
|
|
43
|
02-27-07-022
|
End plate feed sealing sleeve
|
1
|
|
44
|
02-27-07-023
|
O ring end plate studs oil seal
|
1
|
|
48
|
02-27-12-060
|
Piston ring ram main nut
|
1
|
CF
|
49
|
02-27-12-034
|
End plate feed oil seal
|
1
|
|
52
|
02-36-01-006
|
End cover feed spring
|
1
|
|
Steering Box Mounting
|

|
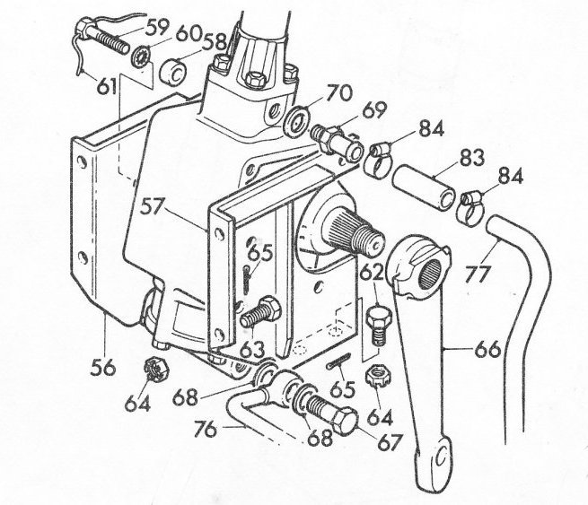
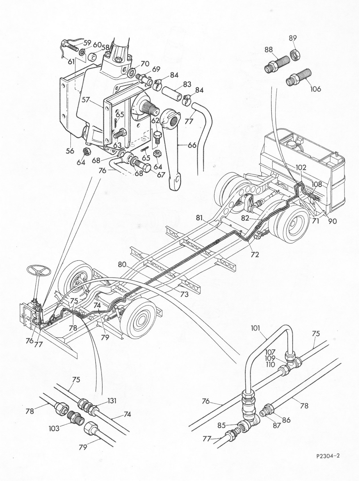
56
|
106VRG
|
Mounting bracket for steering box (offside)
|
1
|
|
57
|
105VRG
|
Mounting bracket for sttering box (nearside)
|
1
|
|
58
|
241VRG
|
Spacer
|
7
|
|
59
|
245VRG
|
Bolt 1/2'' UNC x 2'' long
|
7
|
|
60
|
1224
|
Washer 1/2'' shakeproof
|
7
|
|
61
|
|
Soft iron wire 16SWG
|
As reqd
|
|
62
|
247VRG
|
1/2'' screw UNC x 1'' long
|
2
|
|
63
|
248VRG
|
1/2'' screw UNC x 1 1/4'' long
|
6
|
|
64
|
UCN408
|
Nut
|
8
|
|
65
|
|
Split pin 3/32'' x 1 1/4'' long
|
8
|
|
66
|
111VRG
|
Drop arm for power steering box
|
1
|
CF
|
67
|
277VRG
|
Banjo bolt
|
1
|
|
68
|
RP31/6
|
Copper washer
|
2
|
|
69
|
242VRG
|
End fitting for hose
|
1
|
|
70
|
RP31/6
|
Copper washer
|
1
|
|
76
|
133VRG
|
Delivery pip - T piece to steering box
|
1
|
|
77
|
264VRG
|
Return pipe - steering box to front of frame
|
1
|
CF
|
83
|
210VRG
|
Hose connector
|
1
|
CF
|
84
|
|
Hose clip BS3628 No. 100S
|
2
|
|